Бежецкий завод "АСО" - стабильный и надежный производитель компрессорного оборудования.
Отгрузка в регионы: В течение 3 рабочих дней.
описание
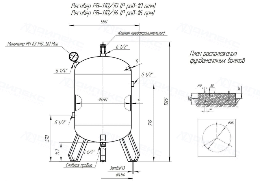
Ресивер вертикальный воздушный РВ 110/16 Бежецкого завода АСО объемом 110 л рассчитан на эксплуатацию при максимальном рабочем давлении 16 атм при температуре от + 5 до + 100 °C, изготовлен из стали Ст3пс с толщиной стенки обечайки 5 мм и толщиной днища 5 мм. Габариты 54 х 56 х 101 см, масса 50 кг. Наружное покрытие - полиэфирная порошковая краска RAL 5010. Расчетный срок службы - 10 лет. Расчетное число циклов нагружения - 4,9 х 104.Принцип работы
Сжатый воздух поступает в ресивер от компрессора по воздухопроводу через специально оборудованное отверстие. Попав внутрь, сжатый воздух расширяется, изменение скорости потока приводит к охлаждению воздуха и выделению капельной влаги и масла. Присутствие капельной влаги и масла в сжатом воздухе обусловлено влажностью атмосферного воздуха, поступающего для сжатия в компрессорную головку и способом смазки деталей шатунно-поршневой группы. Полученный конденсат сливают через сливную пробку.
Основные функции ресивера РВ 110/16:
- накопление и хранение используемого в технологическом процессе сжатого воздуха;
- стабилизация давления и сглаживание пульсаций воздушного потока в пневматической системе;
- обеспечение работы компрессора в оптимальном для него режиме;
- уменьшение числа перепусков компрессора;
- сбор конденсата и его отвод через пробку для слива;
- охлаждение сжатого воздуха в системе.
- высота над уровнем моря не более 1000м;
- температура окружающей среды от 253К (минус 20°С) до 313К (+40°С);
- относительная влажность воздуха не более 80% при 298К (+25°С)
Ресивер предназначен для эксплуатации в районах с сейсмичностью не более 6 баллов по двенадцати бальной шкале.
| Основные характеристики | |
| max. Давление (бар) | 16 |
| Условия эксплуатации, °C | от +5 до +100 |
| Дополнительные характеристики | |
| Присоединение | 1/2 |
| Страна производства | Россия |
| Габариты и вес | |
| Габариты (ВхШхГ), мм | 540x560x1010 |
| Вес, кг | 50 |
| Информация о ресивере | |
| Объём ресивера, л. | 110 |
| Сталь марка | Ст3пс |
| Покрытие корпуса | Окрашенный |
как заказать
- Позвонить нам по бесплатному на территории РФ телефону +7 (831) 280-98-87, Пн. - Чт.: с 8 до 17, Пт.: с 8 до 16. Наши менеджеры проконсультируют и оформят заказ.
- Написать на почту sales@dileks.ru название и количество интересующего товара, либо описание требуемого оборудования и характеристик. Менеджеры проконсультируют, уточнят наличие и пришлют вам всю необходимую информацию.
- Воспользоваться формой обратной связи (чаты доступны по нажатию кнопки в правом нижнем углу), также можно в всплывающем окне заполнить номер телефона, и мы вам перезвоним и ответим на все ваши вопросы в течении 15 минут.
Для покупки товара в нашем интернет-магазине выберите понравившийся товар и добавьте его в корзину. Далее перейдите в Корзину и нажмите на «Оформить заказ» или «Быстрый заказ».
Когда оформляете быстрый заказ, напишите ФИО, телефон и e-mail. Вам перезвонит менеджер и уточнит условия заказа. По результатам разговора вам придет подтверждение оформления товара на почту или через СМС. Теперь останется только ждать доставки и радоваться новой покупке.
Оформление заказа в стандартном режиме выглядит следующим образом. Заполняете полностью форму по последовательным этапам: адрес, способ доставки, оплаты, данные о себе. Советуем в комментарии к заказу написать информацию, которая поможет курьеру вас найти. Нажмите кнопку «Оформить заказ».
- Оплата наличными или банковской картой в нашем офисе. Вы оплачиваете товар в момент самовывоза. Как правило, такой вариант выбирают покупатели небольшого оборудования, которое зачастую присутствует у нас на складе. Покупатель оплачивает товар у нас в офисе, получает товарный чек, и сразу забирает его со склада.
Посмотреть адрес офиса - Оплата в безналичной форме. Возможна как для юридических, так и для физических лиц. После согласования заказа, наш менеджер вышлет Вам на электронную почту счет для оплаты или банковскую квитанцию (для физических лиц). Полный пакет документов (оригинал счета на оплату, счет-фактура, накладная) будет передан Вам вместе с заказом при получении.
- Для всех товаров с наличием кнопки "Купить", доступна оплата с помощью банковской карты*.
Доставка осуществляется по будням с 8:00 до 17:00 часов. Готовность к отгрузке и сроки доставки зависят от времени размещения заказа и наличия товара на складе.
Основной склад нашей компании расположен по адресу: г. Нижний Новгород, ул. Героя Юрия Смирнова, дом 1А.
Дополнительный склад нашей компании расположен по адресу: Люберцы, ул. Мира, д. 8А, склад №7
Если вы из Нижегородской или Московской областей, любой товар можно получить по данному адресу самовывозом, только после согласования наличия у нашего менеджера.
